功能特点
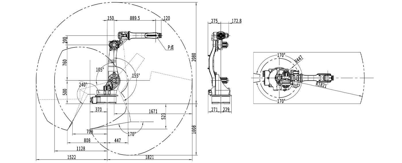
臂展1.821米。设计高度紧凑,可灵活选择地面安装或倒置安装。
工作空间大、运行速度快、重复定位精度高,适用于焊接应用,适用范围广。
配置独立于控制系统的安全急停板,采用安全继电回路,对外提供双回路急停,确保急停的可靠性。
本体电缆采用高柔机器人专用电缆。
内置三相变压器,380V和220V进行隔离,电源更稳定。内装三相滤波器,有效改善EMC和EMI性能。
本体提供双回路气管,满足焊接的需求。
6轴的中孔内径为44mm,可满足水冷枪、波纹管枪的安装要求。
内置高柔焊接电缆。
产品参数

工作范围图

安装接口图
